BECA 501 - 503 - 505

Description
Les profils BECA 501 - 503 - 505 sont des joints composites de piston simple effet constitués d'une bague de frottement en PTFE chargé et d'un joint torique de pré-serrage en élastomère. Ils peuvent se monter dans des gorges selon la norme ISO 7425/1. Possibilité d'associer le joint avec une bague anti-extrusion.
Avantages
Etanchéité optimale en statique et en dynamique
Faible coefficient de frottement, pas d'effet stick-slip
Excellente résistance à l'abrasion et à l'extrusion
Large plage de température et excellente résistance chimique, selon le matériau choisi pour le joint torique
Données techniques
| Température | -30°C / +200°C |
|---|---|
| Pression | 50 MPa |
| Vitesse | 5 m/s |
| Fluides en contact | Huiles hydrauliques minérales |
Applications
Hydraulique mobile
Presses à injecter
Machines-outils
Presses
Vérins standard
Matériaux
Bague de frottement
PTFE chargé Bronze
PTFE chargé Carbone
PTFE GL Blue
Joint torique
NBR 70 Shore A
FKM 70 Shore A
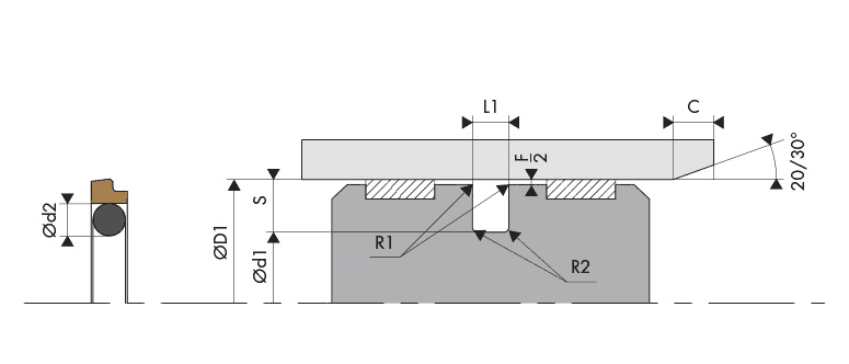
Dimensions

Cote de montage

Cote de montage
| Diamètre d'alésage ØD1 H9 |
Diamètre de gorge | Largeur de gorge | Section radiale | Diamètre de tore | ||
|---|---|---|---|---|---|---|
| BECA 501 Série standard |
BECA 503 Série légère |
BECA 505 Série lourde |
Ød1 h9 | L1 0/+0,20 | S | Ød2 |
| 8,0 - 14,9 | 15,0 - 39,9 | --- | D1 - 4,90 | 2,20 | 2,45 | 1,78 |
| 15,0 - 39,9 | 40,0 - 79,9 | --- | D1 - 7,30 | 3,20 | 3,65 | 2,62 |
| 40,0 - 79,9 | 80,0 - 132,9 | 15,0 - 39,9 | D1 - 10,70 | 4,20 | 5,35 | 3,53 |
| 80,0 - 132,9 | 133,0 - 329,9 | 40,0 - 79,9 | D1 - 15,10 | 6,30 | 7,55 | 5,33 |
| 133,0 - 329,9 | 330,0 - 669,9 | 80,0 - 132,9 | D1 - 20,50 | 8,10 | 10,25 | 6,99 |
| 330,0 - 669,9 | 670,0 - 999,9 | 133,0 - 329,9 | D1 - 24,00 | 8,10 | 12,00 | 6,99 |
| 670,0 - 999,9 | 1000,0 - ** | 330,0 - 669,9 | D1 - 27,30 | 9,50 | 13,65 | 8,40 |
| 1000,0 - ** | --- | 1000,0 - ** | D1 - 38,00 | 13,80 | 19,00 | 12,00 |
Pour des applications spéciales > 40 MPa, il est conseillé d'utiliser la tolérance H8/f8 (alésage/piston) ou de choisir d'autres matériaux plus adaptés. Veuillez contacter nos experts.
Matériaux
| Bague de frottement | Joint torique | Surface de contact | ||||||
|---|---|---|---|---|---|---|---|---|
| Code standard | Code ISO | Matériau | Couleur | Caractéristiques | Code | Nature du matériau | Température de service | |
| DP | P | PTFE Vierge | Blanc | Résistance aux produits chimiques Imperméabilité Diélectrique Anti-adhérant Coefficient de friction faible Alimentaire |
K6 | NBR 70 Shore A | -30°C / +100°C | Acier Acier inoxydable Acier chromé Aluminium Bronze Fonte Surface traitée |
| G6 | FKM 70 Shore A | -20°C / +200°C | ||||||
| C6 | EPDM 70 Shore A | -45°C / +150°C | ||||||
| F6 | VMQ 70 Shore A |
-60°C / +200°C | ||||||
| DC | C | PTFE + 25% Carbone |
Gris |
Amélioration
Bonne résistance aux produits chimiques Performant dans le cadre d'applications |
K6 | NBR 70 Shore A | -30°C / +100°C | |
| G6 | FKM 70 Shore A | -20°C / +200°C | ||||||
| C6 | EPDM 70 Shore A | -45°C / +150°C | ||||||
| CG | C | PTFE + 23% Carbone + 2%Graphite |
Noir | K6 | NBR 70 Shore A | -30°C / +100°C | ||
| G6 | FKM 70 Shore A | -20°C / +200°C | ||||||
| C6 | EPDM 70 Shore A | -45°C / +150°C | ||||||
| DV | V | PTFE + 25 % Verre |
Bleu | Amélioration
corrigé par l'adjonction de MOS2 Propriétés chimique et diélectrique conservées Bien adapté aux applications avec mouvements rotatif et alternatif simultanés |
K6 | NBR 70 Shore A | -30°C / +100°C | Acier Acier chromé Fonte |
| G6 | FKM 70 Shore A | -20°C / +200°C | ||||||
| VM | M | PTFE + 15 % Verre + 5% MoS2 |
Gris | K6 | NBR 70 Shore A | -30°C / +100°C | ||
| G6 | FKM 70 Shore A | -20°C / +200°C | ||||||
| DX | X | PTFE GL Blue + Verre + Oxydes métalliques |
Bleu turquoise | Résistance à la compression Résistance à l' usure Excellente stabilité chimique Bonne conductivité thermique |
K6 | NBR 70 Shore A | -30°C / +100°C | |
| G6 | FKM 70 Shore A | -20°C / +200°C | ||||||
| DG | G | PTFE + 15% Graphite |
Noir | Amélioration
Autolubrification Conductivité thermique et électrique Faible perméabilité Bon coefficient de frottement Anti statique Performant dans le cadre d'applications dynamiques avec autolubrification |
K6 | NBR 70 Shore A | -30°C / +100°C | Acier Acier inoxydable Acier chromé Aluminium Bronze Fonte Surface traitée |
| G6 | FKM 70 Shore A | -20°C / +200°C | ||||||
| C6 | EPDM 70 Shore A | -45°C / +150°C | ||||||
| K1 | K | PTFE + 10% Ekonol |
Marron clair | Amélioration
Bon coefficient de frottement et faible perméabilité |
K6 | NBR 70 Shore A | -30°C / +100°C | |
| G6 | FKM 70 Shore A | -20°C / +200°C | ||||||
| C6 | EPDM 70 Shore A | -45°C / +150°C | ||||||
| K2 | K | PTFE + 20% Ekonol |
Marron clair | K6 | NBR 70 Shore A | -30°C / +100°C | ||
| G6 | FKM 70 Shore A | -20°C / +200°C | ||||||
| C6 | EPDM 70 Shore A | -45°C / +150°C | ||||||
| DB | B | PTFE + 60% Bronze |
Brun foncé | Amélioration
Conductivité électrique et thermique N'altère pas les pièces métalliques Baisse de tenue avec certains produits chimiques Utilisation pour des joints dynamiques à forte compression et faible niveau d'usure |
K6 | NBR 70 Shore A | -30°C / +100°C | Acier Acier chromé Fonte |
| G6 | FKM 70 Shore A | -20°C / +200°C | ||||||
| B4 | B | PTFE + 40% Bronze |
Brun foncé | K6 | NBR 70 Shore A | -30°C / +100°C | ||
| G6 | FKM 70 Shore A | -20°C / +200°C | ||||||
| HG | HG | PE-UHMW | Blanc ou blanc cassé | Excellente résistance à l'usure au contact de l'eau et de l'air | K6 | NBR 70 Shore A | -30°C / +80°C | Acier Acier inoxydable Acier chromé Aluminium Bronze Fonte Surface traitée |
| PU | U | Polyuréthane | Bleu | Grande résistance mécanique Bonne résistance à l'usure et à l'abrasion Module d'élasticité important Bonne flexibilité Très bonne résistance à l'ozone et à l'oxydation |
K6 | NBR 70 Shore A | -30°C / +90°C | |
| PUHT | U | Polyuréthane Haute Température | Blanc ou blanc cassé | K6 | NBR 70 Shore A | -30°C / +100°C | ||
D'autres qualités de matériaux sont disponibles en fonction de vos particularités.
Données techniques

Jeux d'extrusion
| Section radiale S |
Jeu radial F/2 |
||
|---|---|---|---|
| 10 MPa | 20 MPa | 40 MPa | |
| 2,45 | 0,30 | 0,20 | 0,15 |
| 3,65 | 0,40 | 0,25 | 0,15 |
| 5,35 | 0,50 | 0,30 | 0,20 |
| 7,55 | 0,70 | 0,40 | 0,25 |
| 10,25 | 0,80 | 0,60 | 0,35 |
| 12,00 | 0,90 | 0,70 | 0,40 |
| 13,65 | 1,00 | 0,80 | 0,50 |
| 19,00 | 1,20 | 0,90 | 0,60 |
Etats de surface
| Rugosité | Surface dynamique | Surface statique | Flans de gorge |
|---|---|---|---|
| Ra | 0,05 - 0,2 µm | ≤ 1,6 µm | ≤ 3,2 µm |
| Rz | 0,4 - 1,6 µm | ≤ 6,3 µm | ≤ 10,0 µm |
| Rmax | 0,63 - 2,5 µm | ≤ 10,0 µm | ≤ 16,0 µm |
Chanfreins et rayons
| Section radiale S |
Rayon R1 |
Rayon R2 |
Chanfrein C |
|---|---|---|---|
| 2,45 | 0,30 | 0,40 | 3,00 |
| 3,65 | 0,30 | 0,60 | 3,00 |
| 5,35 | 0,30 | 1,00 | 3,00 |
| 7,55 | 0,30 | 1,30 | 5,00 |
| 10,25 | 0,30 | 1,80 | 6,00 |
| 12,00 | 0,30 | 1,80 | 8,00 |
| 13,65 | 0,30 | 2,50 | 10,00 |
| 19,00 | 0,30 | 3,00 | 12,00 |
|
501.008
|
8,00 | 3,10 | 2,20 |
|
501.009
|
9,00 | 4,10 | 2,20 |
|
501.010
|
10,00 | 5,10 | 2,20 |
|
501.012
|
12,00 | 7,10 | 2,20 |
|
501.014
|
14,00 | 9,10 | 2,20 |
|
503.015
|
15,00 | 10,10 | 2,20 |
|
503.016
|
16,00 | 11,10 | 2,20 |
|
505.018
|
18,00 | 7,00 | 4,20 |
|
501.018
|
18,00 | 10,50 | 3,20 |
|
503.018
|
18,00 | 13,10 | 2,20 |
|
505.020
|
20,00 | 9,00 | 4,20 |
|
501.020
|
20,00 | 12,50 | 3,20 |
|
503.020
|
20,00 | 15,10 | 2,20 |
|
505.022
|
22,00 | 11,00 | 4,20 |
|
501.022
|
22,00 | 14,50 | 3,20 |
|
503.022
|
22,00 | 17,10 | 2,20 |
|
505.025
|
25,00 | 14,00 | 4,20 |
|
501.025
|
25,00 | 17,50 | 3,20 |
|
503.025
|
25,00 | 20,10 | 2,20 |
|
505.028
|
28,00 | 17,00 | 4,20 |
|
501.028
|
28,00 | 20,50 | 3,20 |
|
505.030
|
30,00 | 19,00 | 4,20 |
|
501.030
|
30,00 | 22,50 | 3,20 |
|
505.032
|
32,00 | 21,00 | 4,20 |
|
501.032
|
32,00 | 24,50 | 3,20 |
|
505.035
|
35,00 | 24,00 | 4,20 |
|
501.035
|
35,00 | 27,50 | 3,20 |
|
505.038
|
38,00 | 27,00 | 4,20 |
|
501.038
|
38,00 | 30,50 | 3,20 |
|
505.040
|
40,00 | 24,50 | 6,30 |
|
501.040
|
40,00 | 29,00 | 4,20 |
|
503.040
|
40,00 | 32,50 | 3,20 |
|
505.042
|
42,00 | 26,50 | 6,30 |
|
501.042
|
42,00 | 31,00 | 4,20 |
|
503.042
|
42,00 | 34,50 | 3,20 |
|
505.045
|
45,00 | 29,50 | 6,30 |
|
501.045
|
45,00 | 34,00 | 4,20 |
|
503.045
|
45,00 | 37,50 | 3,20 |
|
505.048
|
48,00 | 32,50 | 6,30 |
|
501.048
|
48,00 | 37,00 | 4,20 |
|
503.048
|
48,00 | 40,50 | 3,20 |
|
505.050
|
50,00 | 34,50 | 6,30 |
|
501.050
|
50,00 | 39,00 | 4,20 |
|
503.050
|
50,00 | 42,50 | 3,20 |
|
505.052
|
52,00 | 36,50 | 6,30 |
|
501.052
|
52,00 | 41,00 | 4,20 |
|
503.052
|
52,00 | 44,50 | 3,20 |
|
505.055
|
55,00 | 39,50 | 6,30 |
|
501.055
|
55,00 | 44,00 | 4,20 |
|
503.055
|
55,00 | 47,50 | 3,20 |
