BECA 011 Tige

Description
Le profil BECA 011 est une bague anti-extrusion coupée à 30° dont son profil est rectangulaire, La bague est systématiquement montée en tandem avec un joint torique ou un joint quadrilobes (X-Ring), Il est possible de réaliser ce profil non coupé.
Avantages
Utilisation en statique et en dynamique
Utilisation pour des mouvements alternatifs et rotatifs possible
Large surface de contact protégeant le joint torique contre la déformation due à des pressions pulsées
Montage préférentiel en gorge fermée pour les profils coupés à 30°
Montage en gorge ouverte pour les profils non coupés
Données techniques
| Température | -200°C / +260°C |
|---|---|
| Pression | < 250 MPa en statique |
| Vitesse | 2 m/s en alternatif ou en rotatif |
| Fluides en contact | La majorité des fluides liquides, gazeux ou produits chimiques. |
Applications
Automobile
Equipements hydrauliques
Hydraulique mobile
Machines-outils
Presses à injecter
Vannes
Vérins hydrauliques
Matériaux
PTFE vierge en standard
PTFE chargé (fibres de verre, carbone, bronze)
Autres matériaux possibles
Téléchargement
Catalogue - Joints toriques & Bagues anti-extrusionDimensions

Matériaux
Le PTFE est un polymère thermoplastique se composant de tétrafluoroéthylène et présentant des propriétés exceptionnelles - coefficient de frottement très faible (frottement d'adhérence et de glissement presque égaux), physiologiquement neutre par des températures jusqu'à +200°C, propriétés d'isolation électrique excellentes, compatibilité chimique avec la plupart des fluides excellente. En revanche, ce matériau étant plastique et non élastique, il ne peut remplacer facilement les bases élastomères.
| Matériau | Code |
|---|---|
| PTFE vierge | P |
| PTFE chargé Bronze | B |
| PTFE chargé Carbone | C |
| PTFE chargé Fibre de verre | V |
Préconisation de conception

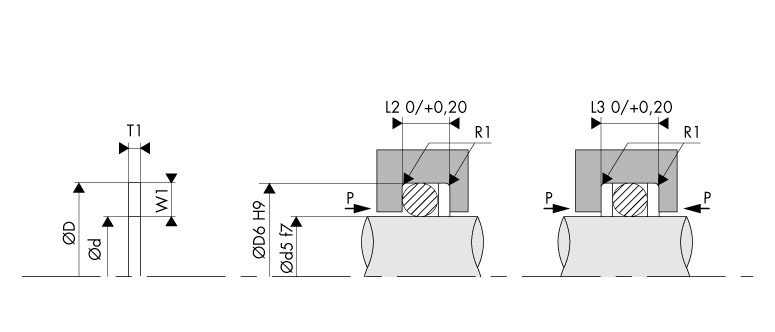
Cote de montage en applications statique et dynamique - Etanchéité intérieure (tige) uniquement.
| Joint torique | Bague anti-extrusion | Dimensions du logement | Rayon | |||||||
|---|---|---|---|---|---|---|---|---|---|---|
| Diamètre de tore Ød2 |
Hauteur radiale W1 |
Epaisseur | Etanchéité de tige | Largeur de gorge | ||||||
| Diamètre de gorge ØD6 H9 |
Statique | Dynamique | ||||||||
| statique | dynamique | T1 | statique | dynamique | L2 0/+0,20 | L3 0/+0,20 | L2 0/+020 | L3 0/+0,20 | R1 ±0,20 | |
| 1,50 | 1,10 | 1,10 | 1,00 | d5 + 2,20 | d5 + 2,20 | 3,20 | 4,20 | 3,25 | 4,25 | 0,25 |
| 1,60 | 1,15 | 1,20 | 1,00 | d5 + 2,30 | d5 + 2,40 | 3,50 | 4,50 | 3,40 | 4,40 | 0,25 |
| 1,78 | 1,30 | 1,35 | 1,40 | d5 + 2,60 | d5 + 2,70 | 4,10 | 5,50 | 4,00 | 5,40 | 0,25 |
| 1,80 | 1,30 | 1,35 | 1,40 | d5 + 2,60 | d5 + 2,70 | 4,10 | 5,50 | 4,00 | 5,40 | 0,25 |
| 2,00 | 1,50 | 1,55 | 1,40 | d5 + 3,00 | d5 + 3,10 | 4,30 | 5,70 | 4,20 | 5,60 | 0,25 |
| 2,40 | 1,80 | 1,90 | 1,40 | d5 + 3,60 | d5 + 3,80 | 4,80 | 6,20 | 4,60 | 6,00 | 0,25 |
| 2,50 | 1,90 | 1,95 | 1,40 | d5 + 3,80 | d5 + 3,90 | 4,90 | 6,30 | 4,80 | 6,20 | 0,25 |
| 2,62 | 2,00 | 2,05 | 1,40 | d5 + 4,00 | d5 + 4,10 | 5,00 | 6,40 | 4,90 | 6,30 | 0,25 |
| 2,65 | 2,00 | 2,10 | 1,40 | d5 + 4,00 | d5 + 4,20 | 5,10 | 6,50 | 4,90 | 6,30 | 0,25 |
| 3,00 | 2,30 | 2,40 | 1,40 | d5 + 4,60 | d5 + 4,80 | 5,90 | 7,30 | 5,70 | 7,10 | 0,25 |
| 3,53 | 2,70 | 2,85 | 1,40 | d5 + 5,40 | d5 + 5,70 | 6,50 | 7,90 | 6,30 | 7,70 | 0,25 |
| 3,55 | 2,70 | 2,90 | 1,40 | d5 + 5,40 | d5 + 5,80 | 6,60 | 8,00 | 6,30 | 7,70 | 0,25 |
| 4,00 | 3,10 | 3,25 | 1,40 | d5 + 6,20 | d5 + 6,50 | 7,00 | 8,40 | 6,80 | 8,20 | 0,25 |
| 5,00 | 4,00 | 4,10 | 1,70 | d5 + 8,00 | d5 + 8,20 | 8,40 | 10,10 | 8,30 | 10,00 | 0,25 |
| 5,30 | 4,30 | 4,40 | 1,70 | d5 + 8,60 | d5 + 8,80 | 8,60 | 10,30 | 8,50 | 10,20 | 0,25 |
| 5,33 | 4,30 | 4,40 | 1,70 | d5 + 8,60 | d5 + 8,80 | 8,80 | 10,50 | 8,50 | 10,20 | 0,25 |
| 5,70 | 4,60 | 4,80 | 1,70 | d5 + 9,20 | d5 + 9,60 | 9,10 | 10,80 | 8,80 | 10,50 | 0,25 |
| 6,00 | 4,90 | 5,10 | 1,70 | d5 + 9,80 | d5 + 10,20 | 9,50 | 11,20 | 9,10 | 10,80 | 0,25 |
| 6,99 | 5,80 | 5,90 | 2,50 | d5 + 11,60 | d5 + 11,80 | 11,80 | 14,30 | 11,70 | 14,20 | 0,25 |
| 8,00 | 6,70 | 7,00 | 2,50 | d5 + 13,40 | d5 + 14,00 | 12,70 | 15,20 | 12,40 | 14,90 | 0,25 |
| 8,40 | 7,10 | 7,30 | 2,50 | d5 + 14,20 | d5 + 14,60 | 13,00 | 15,50 | 12,80 | 15,30 | 0,25 |
|
011.004062
|
4,0 x 1,1 x 1,0 | 4,00 | 6,20 | 3,20 | 4,20 | 0,25 | 010.1B171 | 4,00 x 1,50 |
|
011.004066
|
4,0 x 1,3 x 1,4 | 4,00 | 6,60 | 4,10 | 5,50 | 0,25 | 010.1A040 | 3,68 x 1,78 |
|
011.005072
|
5,0 x 1,1 x 1,0 | 5,00 | 7,20 | 3,20 | 4,20 | 0,25 | 010.1B177 | 5,00 x 1,50 |
|
011.005076
|
5,0 x 1,3 x 1,4 | 5,00 | 7,60 | 4,10 | 5,50 | 0,25 | 010.1A041 | 4,47 x 1,78 |
|
011.006082
|
6,0 x 1,1 x 1,0 | 6,00 | 8,20 | 3,20 | 4,20 | 0,25 | 010.1B183 | 6,00 x 1,50 |
|
011.006086
|
6,0 x 1,3 x 1,4 | 6,00 | 8,60 | 4,10 | 5,50 | 0,25 | 010.1A043 | 6,07 x 1,78 |
|
011.008106
|
8,0 x 1,3 x 1,4 | 8,00 | 10,60 | 4,10 | 5,50 | 0,25 | 010.1A046 | 7,65 x 1,78 |
|
011.008011
|
8,0 x 1,5 x 1,4 | 8,00 | 11,00 | 4,30 | 5,70 | 0,25 | 010.1B486 | 8,00 x 2,00 |
|
011.010126
|
10,0 x 1,3 x 1,4 | 10,00 | 12,60 | 4,10 | 5,50 | 0,25 | 010.1A050 | 10,82 x 1,78 |
|
011.010013
|
10,0 x 1,5 x 1,4 | 10,00 | 13,00 | 4,30 | 5,70 | 0,25 | 010.1B492 | 10,00 x 2,00 |
|
011.012146
|
12,0 x 1,3 x 1,4 | 12,00 | 14,60 | 4,10 | 5,50 | 0,25 | 010.1A052 | 12,42 x 1,78 |
|
011.012015
|
12,0 x 1,5 x 1,4 | 12,00 | 15,00 | 4,30 | 5,70 | 0,25 | 010.1B498 | 12,00 x 2,00 |
|
011.014166
|
14,0 x 1,3 x 1,4 | 14,00 | 16,60 | 4,10 | 5,50 | 0,25 | 010.1A053 | 14,00 x 1,78 |
|
011.014017
|
14,0 x 1,5 x 1,4 | 14,00 | 17,00 | 4,30 | 5,70 | 0,25 | 010.1B510 | 14,00 x 2,00 |
|
011.015176
|
15,0 x 1,3 x 1,4 | 15,00 | 17,60 | 4,10 | 5,50 | 0,25 | 010.1A054 | 15,60 x 1,78 |
|
011.015018
|
15,0 x 1,5 x 1,4 | 15,00 | 18,00 | 4,30 | 5,70 | 0,25 | 010.1B516 | 15,00 x 2,00 |
|
011.016186
|
16,0 x 1,3 x 1,4 | 16,00 | 18,60 | 4,10 | 5,50 | 0,25 | 010.1A054 | 15,60 x 1,78 |
|
011.016019
|
16,0 x 1,5 x 1,4 | 16,00 | 19,00 | 4,30 | 5,70 | 0,25 | 010.1B519 | 16,00 x 2,00 |
|
011.018206
|
18,0 x 1,3 x 1,4 | 18,00 | 20,60 | 4,10 | 5,50 | 0,25 | 010.1A056 | 18,77 x 1,78 |
|
011.018021
|
18,0 x 1,5 x 1,4 | 18,00 | 21,00 | 4,30 | 5,70 | 0,25 | 010.1B525 | 18,00 x 2,00 |
|
011.020226
|
20,0 x 1,3 x 1,4 | 20,00 | 22,60 | 4,10 | 5,50 | 0,25 | 010.1A057 | 20,35 x 1,78 |
|
011.020023
|
20,0 x 1,5 x 1,4 | 20,00 | 23,00 | 4,30 | 5,70 | 0,25 | 010.1B531 | 20,00 x 2,00 |
|
011.022026
|
22,0 x 2,0 x 1,4 | 22,00 | 26,00 | 5,00 | 6,40 | 0,25 | 010.1A203 | 21,89 x 2,62 |
|
011.022266
|
22,0 x 2,3 x 1,4 | 22,00 | 26,60 | 5,90 | 7,30 | 0,25 | 010.1BE19 | 22,00 x 3,00 |
|
011.025029
|
25,0 x 2,0 x 1,4 | 25,00 | 29,00 | 5,00 | 6,40 | 0,25 | 010.1A207 | 25,07 x 2,62 |
|
011.025296
|
25,0 x 2,3 x 1,4 | 25,00 | 29,60 | 5,90 | 7,30 | 0,25 | 010.1A289 | 25,00 x 3,00 |
|
011.028032
|
28,0 x 2,0 x 1,4 | 28,00 | 32,00 | 5,00 | 6,40 | 0,25 | 010.1A209 | 28,24 x 2,62 |
|
011.028326
|
28,0 x 1,5 x 1,4 | 28,00 | 32,60 | 4,30 | 5,70 | 0,25 | 010.1B555 | 28,00 x 2,00 |
|
011.030034
|
30,0 x 2,0 x 1,4 | 30,00 | 34,00 | 5,00 | 6,40 | 0,25 | 010.1A210 | 29,82 x 2,62 |
|
011.030346
|
30,0 x 2,3 x 1,4 | 30,00 | 34,60 | 5,90 | 7,30 | 0,25 | 010.1A296 | 30,00 x 3,00 |
|
011.032036
|
32,0 x 2,0 x 1,4 | 32,00 | 36,00 | 5,00 | 6,40 | 0,25 | 010.1A211 | 31,42 x 2,62 |
|
011.032366
|
32,0 x 2,3 x 1,4 | 32,00 | 36,60 | 5,90 | 7,30 | 0,25 | 010.1BE67 | 32,00 x 3,00 |
|
011.035039
|
35,0 x 2,0 x 1,4 | 35,00 | 39,00 | 5,00 | 6,40 | 0,25 | 010.1A213 | 34,59 x 2,62 |
|
011.035396
|
35,0 x 2,3 x 1,4 | 35,00 | 39,60 | 5,90 | 7,30 | 0,25 | 010.1A303 | 35,00 x 3,00 |
|
011.036040
|
36,0 x 2,0 x 1,4 | 36,00 | 40,00 | 5,00 | 6,40 | 0,25 | 010.1A214 | 36,17 x 2,62 |
|
011.036406
|
36,0 x 2,3 x 1,4 | 36,00 | 40,60 | 5,90 | 7,30 | 0,25 | 010.1A304 | 36,00 x 3,00 |
|
011.040454
|
40,0 x 2,7 x 1,4 | 40,00 | 45,40 | 6,50 | 7,90 | 0,25 | 010.1A382 | 40,87 x 3,53 |
|
011.040461
|
40,0 x 3,1 x 1,7 | 40,00 | 46,10 | 7,30 | 9,00 | 0,25 | 010.1BS39 | 40,00 x 4,00 |
|
011.042474
|
42,0 x 2,7 x 1,4 | 42,00 | 47,40 | 6,50 | 7,90 | 0,25 | 010.1A382 | 40,87 x 3,53 |
|
011.042482
|
42,0 x 3,1 x 1,7 | 42,00 | 48,20 | 7,30 | 9,00 | 0,25 | 010.1BS45 | 42,00 x 4,00 |
|
011.045504
|
45,0 x 2,7 x 1,4 | 45,00 | 50,40 | 6,50 | 7,90 | 0,25 | 010.1A385 | 44,04 x 3,53 |
|
011.045512
|
45,0 x 3,1 x 1,7 | 45,00 | 51,20 | 7,30 | 9,00 | 0,25 | 010.1BS54 | 45,00 x 4,00 |
|
011.048534
|
48,0 x 2,7 x 1,4 | 48,00 | 53,40 | 6,50 | 7,90 | 0,25 | 010.1A388 | 47,22 x 3,53 |
|
011.048542
|
48,0 x 3,1 x 1,7 | 48,00 | 54,20 | 7,30 | 9,00 | 0,25 | 010.1BS63 | 48,00 x 4,00 |
|
011.050554
|
50,0 x 2,7 x 1,4 | 50,00 | 55,40 | 6,50 | 7,90 | 0,25 | 010.1A391 | 50,39 x 3,53 |
|
011.050562
|
50,0 x 3,1 x 1,7 | 50,00 | 56,20 | 7,30 | 9,00 | 0,25 | 010.1BS66 | 50,00 x 4,00 |
|
011.052574
|
52,0 x 2,7 x 1,4 | 52,00 | 57,40 | 6,50 | 7,90 | 0,25 | 010.1A391 | 50,39 x 3,53 |
|
011.052582
|
52,0 x 3,1 x 1,7 | 52,00 | 58,20 | 7,30 | 9,00 | 0,25 | 010.1BS72 | 52,00 x 4,00 |
|
011.055604
|
55,0 x 2,7 x 1,4 | 55,00 | 60,40 | 6,50 | 7,90 | 0,25 | 010.1A394 | 53,57 x 3,53 |
|
011.055612
|
55,0 x 3,1 x 1,7 | 55,00 | 61,20 | 7,30 | 9,00 | 0,25 | 010.1A480 | 55,00 x 4,00 |
