BECA 335P/AE



Description
Le profil BECA 335P/AE est un joint de piston simple effet de type U à lèvres égales réalisé en Polyuréthane avec une bague anti-extrusion en POM.
Avantages
Effet d'étanchéité optimisé
Excellente résistance à l'abrasion
Très bonne résistance à l'extrusion
Très bonne résistance à l'usure
Données techniques
Température | -30°C / +110°C |
---|---|
Pression | 45 MPa |
Vitesse | 0,5 m/s |
Fluides en contact | Huiles hydrauliques minérales |
Applications
Agriculture
Hydraulique mobile
Systèmes de levage
Presses à injecter
Vérins hydrauliques
Matériaux
Joint profilé
PU 93 Shore A - Bleu
PU 96 Shore A - Bleu
PU Haute temp. 96 Shore A - Beige
Bague anti-extrusion
Résine acétale POM
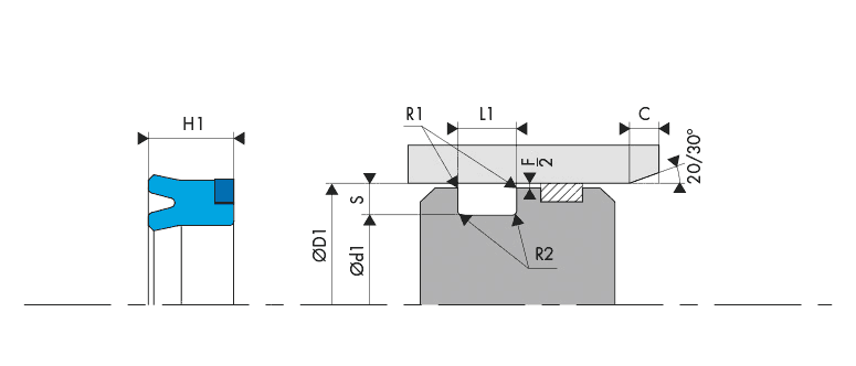
Dimensions

Matériaux
PU
Le Polyuréthane est un matériau qui possède les propriétés élastiques du caoutchouc. Le dosage dans sa composition (diisocyanate, polyol, prolongateur de chaîne) est déterminant pour ses propriétés. Ce matériau se caractérise par une grande résistance mécanique, une bonne résistance à l'usure, un module d'élasticité important, une bonne flexibilité, une très bonne résistance à l'ozone et à l'oxydation.
Résistance chimique | Hydrocarbures aliphatiques purs (propane, butane) Huiles minérales et de graisses Huiles de silicone et de graisses Eau jusqu'à +50°C |
---|---|
Problème de compatibilité | Cétones, esters, éthers, alcools, glycols Eau chaude, vapeur d'eau, alcalis, amines, acides |
Plage de température | -30°C / +90°C -30°C / +110°C avec notre PUHT (150°C en pointe sur une courte durée) |
Résine acétale - POM
La résine acétale (POM ou Polyacétal) fait partie des thermoplastiques présentant de nombreux avantages - haute résistance mécanique, rigidité et dureté, excellente élasticité, bonne résistance au fluage, haute résistance aux chocs même à basse température, bonne résistance à l´usure, bon coefficient de glissement, usinabilité excellente, bonnes propriétés diélectriques. Aussi, le faible coefficient d'absorption d'eau, contrairement au polyamide (PA), permet à ce matériau d'obtenir une très bonne stabilité dimensionnelle.
Résistance chimique | Hydrocarbures aliphatiques (propane, butane, le pétrole, le carburant diesel) Huiles minérales et graisses Fluides difficilement inflammables (HFA, HFB et HFC) Eau |
---|---|
Problème de compatibilité | Acides |
Plage de température | -50°C / +115°C |
Données techniques
Jeux d'extrusion
Diamètre d'alésage ØD1 |
Jeu radial F/2 |
|||||
---|---|---|---|---|---|---|
≤ 5 MPa | ≤ 10 MPa | ≤ 20 MPa | ≤ 30 MPa | ≤ 40 MPa | ≤ 45 MPa | |
≤ 60 mm | 0,40 | 0,30 | 0,20 | 0,15 | 0,10 | 0,07 |
> 60 mm | 0,50 | 0,40 | 0,30 | 0,20 | 0,15 | 0,10 |
Etats de surface
Rugosité | Surface dynamique | Surface statique | Flans de gorge |
---|---|---|---|
Ra | 0,1 - 0,4 µm | ≤ 1,6 µm | ≤ 3,2 µm |
Rz | 0,63 - 2,5 µm | ≤ 6,3 µm | ≤ 10,0 µm |
Rmax | 1,0 - 4,0 µm | ≤ 10,0 µm | ≤ 16,0 µm |
Chanfreins et rayons
Section radiale S |
Rayon R1 |
Rayon R2 |
Chanfrein C |
---|---|---|---|
3,00 | 0,20 | 0,40 | 2,00 |
4,00 | 0,20 | 0,40 | 2,50 |
5,00 | 0,40 | 0,60 | 3,00 |
7,50 | 0,80 | 1,00 | 4,00 |
10,00 | 0,80 | 1,00 | 5,00 |
Uniquement sur demande