UAO2

Description
Le profil UAO2 est un joint cassette inversé dont la partie supérieure est monté serrée sur le moyeu rotatif. La partie inférieure est assemblée sur l'arbre fixe et se constitue d'une lèvre primaire avec ressort intégré et d'une lèvre anti-pollution. Un renforcement métallique est intégré afin d'offrir une protection supplémentaire au niveau de la zone d'étanchéité dynamique face à un degré de pollution modéré.
Avantages
Coefficient de frottement modéré
Protection modérée contre les salissures
Maintenance à fréquence plus réduite
Montage facile avec un faible risque de déterioration du joint
Données techniques
| Température | < 120°C |
|---|---|
| Pression | 0,05 MPa |
| Vitesse | - |
| Degré de pollution | Normal |
Applications
Essieux
Pignons
Moyeux
Poids lourds
Matériaux
Elastomère
ACM 70 - 75 Shore A
FKM 70 - 75 Shore A
HNBR 70 - 75 Shore A
NBR 70 - 75 Shore A
Cage métallique
Acier - AISI 1010
Acier inoxydable - AISI 304
Acier inoxydable - AISI 316
Ressort
Acier - AISI 1070 - 1090
Acier inoxydable - AISI 316
Dimensions

Matériaux
Cage métallique - Ressort
Le tableau ci-dessous présente les matériaux qu'il nous est possible de proposer au niveau des cages métalliques et des ressorts.
| Application | Matériau | Norme | Caractéristiques |
|---|---|---|---|
| Cage métallique | Acier standard non allié | AISI 1010 (DIN 1624) |
Acier laminé à froid |
| Cage métallique | Acier Chrome - Nickel | AISI 304 (DIN 1.4301 - V2A) |
Acier inoxydable standard |
| Cage métallique et Ressort | Acier Chrome - Nickel - Molybdène | AISI 316 (DIN 1.4401 - V4A) |
Acier inoxydable haute résistance contre la corrosion |
| Ressort | Acier pour ressorts | AISI 1070 - 1090 DIN 17223 |
Fil en acier au carbone étiré à froid |
| Ressort | Acier Chrome - Nickel | AISI 302 (DIN 1.4300) |
Acier inoxydable pour ressorts, doté d'une forte teneur en carbone |
Elastomères
ACM (Polyacrylate)
Polymère en éthylocrylate (ou butylacrylate) comportant une faible quantité de monomère nécessaire à la réticulation, l'ACM est un matériau plus résistant à la chaleur que le NBR. Il est souvent utilisé pour les boîtes de vitesses automatiques.
| Résistance chimique | Huiles minérales (huiles de moteur, huiles de boîte de vitesse, huiles ATF Agents atmosphériques et ozone |
|---|---|
| Problème de compatibilité | Liquides de frein avec une base de glycol (Dot 3 & 4) Hydrocarbures aromatiques et chlorés Eau et vapeur d'eau Acides, alcalis, amines |
| Plage de température | -25°C à + 150°C (pointe sur courte durée à +160°C) -35°C / +150°C avec des ACM spéciaux |
FKM (Caoutchouc Fluoré)
En fonction de leur structure et de leur teneur en fluor, les élastomères fluorés peuvent varier en terme de résistance chimique et de résistance au froid. Cet élastomère à base de FKM est très souvent employé pour l'hydraulique et le pneumatique à température élevée, pour la robinetterie industrielle, pour l'injection / carburation, pour les joints de moteur, pour le vide poussé.
| Résistance chimique | Huiles minérales et graisses, huiles ASTM n°1, IRM 902 et IRM 903. Fluides difficilement inflammables (HFD) Huiles de silicone et graisses Huiles minérales et végétales et graisses Hydrocarbures aliphatiques (propane, butane, pétrole) Hydrocarbures aromatiques (benzène, toluène) Hydrocarbures chlorés (trichloréthylène) Essence (y compris à haute teneur en alcool) Agents atmosphériques et ozone |
|---|---|
| Problème de compatibilité | Liquides de frein avec une base de glycol Gaz ammoniac Acides organiques à faible poids moléculaire (acides formiques et acétiques) |
| Plage de température | -20°C / +200°C (pointe sur courte durée à +230°C) -40°C / +200°C avec des FKM spéciaux |
HNBR (Caoutchouc Butadiène - Acrylonitrile Hydrogéné)
Cet élastomère à base de HNBR est obtenu par hydrogénation sélective des groupes butadiène du NBR. Il est couramment employé pour la direction assistée, et pour la climatisation.
| Résistance chimique | Hydrocarbures aliphatiques Huiles minérales et végétales et graisses Fluides difficilement inflammables (HFA, HFB et HFC) Acides dilués, bases et solutions salines à température modérée Eau et vapeur d'eau jusqu'à +150°C Agents atmosphériques et ozone |
|---|---|
| Problème de compatibilité | Hydrocarbures chlorés Solvants polaires (cétones, esters et éthers) Acides forts |
| Plage de température | -30°C / +150°C (pointe sur courte durée à +160°C) -40°C / +150°C avec des HNBR spéciaux |
NBR (Caoutchouc Butadiène - Acrylonitrile)
Caoutchouc nitrile (NBR) est le terme général pour l'acrylonitrile butadiène copolymère. La teneur en ACN peut varier entre 18% à 50%. Plus la teneur en acrylonitrile est importante, meilleure est la résistance à l'huile et au carburant. A l'inverse, l'élasticité et la déformation rémanente à la compression sont moins bonnes. Le NBR présente de bonnes propriétés mécaniques et une bonne résistance à l'usure. Cependant sa tenue aux agents atmosphériques et à l'ozone est relativement faible.
| Résistance chimique | Hydrocarbures aliphatiques (propane, butane, le pétrole, le carburant diesel) Huiles minérales et graisses Fluides difficilement inflammables (HFA, HFB et HFC) Acides dilués, solutions alcalines et salines à basses températures Eau (jusqu'à +100°C max) |
|---|---|
| Problème de compatibilité | Carburants à haute teneur aromatique Hydrocarbures aromatiques (benzène) Hydrocarbures chlorés (trichloréthylène) Solvants polaires (cétone, acétone, acide acétique, éthylène-ester) Acides forts Liquides de frein avec une base de glycol Agents atmosphériques et ozone |
| Plage de température | -30°C / +100°C (pointe sur courte durée à +120°C) -40°C / +100°C avec des NBR spéciaux |
Le tableau ci-dessous donne un aperçu sur les caractéristiques physiques, chimiques et mécaniques pour chacun des matériaux.
| Caractéristiques / Matériaux | ACM | FKM | HNBR | NBR |
|---|---|---|---|---|
| Résistance à l'abrasion | 2 | 2 | 2 | 2 |
| Résistance aux acides | 4 | 1 | 1 | 3 |
| Résistance chimique | 4 | 1 | 2 | 2 |
| Résistance au froid | 4 | 4 | 2 | 2 |
| Propriétés dynamiques | 3 | 2 | 1 | 2 |
| Propriétés électriques | 3 | 4 | 3 | 3 |
| Résistance à la flamme | 4 | 1 | 4 | 4 |
| Résistance à la chaleur | 1 | 1 | 1 | 2 |
| Imperméabilité | 1 | 2 | 2 | 2 |
| Résistance à l'huile | 1 | 1 | 1 | 1 |
| Résistance à l'ozone | 1 | 1 | 2 | 4 |
| Résistance à la déchirure | 2 | 3 | 2 | 2 |
| Résistance à la traction | 3 | 1 | 1 | 2 |
| Résistance à l'eau / vapeur | 4 | 3 | 1 | 2 |
| Résistance aux agents atmosphériques | 1 | 1 | 2 | 3 |
1. Propriétés excellentes 2. Bonnes propriétés 3. Propriétés moyennes 4. Mauvaises propriétés
Compatibilité chimique
Un catalogue « Guide de compatibilité chimique » est téléchargeable dans la rubrique Documentation. Egalement, vous pouvez utiliser gratuitement notre outil en ligne « Compatibilité chimique ».
Ces deux supports vous offrent la possibilité de mesurer le comportement de nos matériaux en contact avec la plupart des fluides existants. Les données affichées sont le résultat de tests minutieux à température ambiante et tiennent compte des dernières publications. Les résultats de tests ne peuvent être perçus comme étant représentatifs à 100% de la réalité en raison des spécificités particulières de votre application. En effet, les tests effectués ne prennent pas en compte les additifs et impuretés pouvant exister dans des conditions réelles d'utilisation ni même les températures à des niveaux élevés possibles. D'autres paramètres peuvent aussi altérer le comportement de nos matériaux tels que la dureté, la rémanence, l'abrasion, etc. Nous vous recommandons donc d'effectuer vos propres tests afin de confirmer la compatibilité de nos matériaux en fonction de votre application spécifique. Notre équipe technique se tient à votre disposition pour tout complément d'information.
Conditions d'utilisation
Données techniques
| Données techniques | NBR 75 Shore A | FKM 75 Shore A | HNBR 75 Shore A |
|---|---|---|---|
| Température | -30°C / +80°C | -20°C / +100°C | -30°C / +190°C |
| Vitesse | - | - | - |
| Pression | 0,02 - 0,05 MPa | 0,02 - 0,05 MPa | 0,02 - 0,05 MPa |
| Degré de pollution | Normal | Normal | Normal |
Calcul de la vitesse linéaire :
v (m/s) = [Ø support rotatif (mm) x vitesse (tr/min) x π] / 60.000
Elévation de la température
Les lèvres du joint cassette subissent une température plus élevée du fait de la rotation du manchon d'usure fixe sur le moyeu rotatif, et du frottement plus important exercé à l'intérieur du joint. Il est donc nécessaire de procéder à une bonne lubrification afin de permettre une meilleure évacuation de la chaleur et ainsi limiter les hausses de température pour les parties en frottement.
Par définition, la température au niveau de l'arête d'étanchéité s'élève lorsque la vitesse de rotation (et donc la vitesse linéaire) ainsi que le diamètre de l'arbre augmentent.

Fluides
Huiles minérales
De manière générale, ce type d'huile comporte peu d'additifs et est donc parfaitement adéquate avec l'ensemble des élastomères utilisé pour les joints pour arbre tournant. On retrouve les huiles suivantes pour les applications tournantes :
- huiles de moteurs
- huiles de boîtes de vitesses
- huiles hypoïdes
- huiles ATF pour les boîtes de vitesses automatiques
- huiles de transmissions
Huiles synthétiques
Ce type d'huile est utilisé pour améliorer différentes caractéristiques telles que la résistance au vieillissement, la tenue aux températures élevées, la viscosité, etc. et présente une bonne compatibilité avec la plupart des élastomères utilisés pour les joints pour arbre tournant. Des tests doivent pourtant être effectués au préalable pour mesurer le degré de compatibilité de ce type d'huile avec les matières utilisées. Parmi les huiles synthétiques, on retrouve :
- les liquides de freins
- les fluides pour boîtes de vitesses automatiques
- les liquides pour les suspensions
- les liquides pour les systèmes de direction
- les liquides pour les transmissions hydrauliques
Les huiles hypoïdes
Ce type d'huile contient des composants spéciaux tels que les additifs EP. Ces derniers permettent de favoriser la lubrification et limiter ainsi tout grippage au niveau des roulements par exemple. Ces additifs, sous l'effet de la chaleur, vont avoir tendance à provoquer des dépôts sur la lèvre d'étanchéité. C'est pourquoi, nous conseillons d'utiliser les joints pour arbre tournant avec une lèvre d'étanchéité comportant des stries de refoulement afin de limiter l'augmentation de la température et de réduire surtout ces dépôts éventuels de calamine.
Graisses
Les graisses sont appliquées généralement sur des roulements, etc. et demandent une adaptation spécifique pour favoriser les conditions de fonctionnement du joint pour arbre tournant. Afin d'éviter que la lèvre du joint ne subisse des pressions plus importantes que prévues, nous recommandons d'orienter la bague à lèvre sur un côté du palier de telle sorte que la lèvre ne soit pas détruite de manière prématurée. Nous conseillons aussi de réduire de 50% la vitesse de rotation sous une lubrification à la graisse du fait de conditions moins favorables pour l'évacuation de la chaleur de frottement.
Fluides agressifs
Il est déterminant de bien choisir le bon matériau qui résistera le mieux face aux différents fluides agressifs (acides, solvants, produits chimiques, etc.). Pour des applications en milieu rotatif, nous préconisons d'utiliser des matériaux tels que le FKM plutôt que le NBR. Pour un fonctionnement à sec ou à très faible lubrification dans le cas où les élastomères ne résistent pas à certains fluides agressifs, nous pouvons développer des joints cassette sur-mesure avec des bases PTFE.
Conception du joint
Tolérance du diamètre extérieur du joint (ØD)
Le tableau ci-dessous informe du pré-serrage des bagues d'étanchéité sur le diamètre du moyeu rotatif selon la norme ISO 6194-1. Pour des cas particuliers, nous pouvons être amenés à modifier les caractéristiques liées aux dimensions et aux tolérances en fonction du besoin client ou de l'application finale.
| ØD1 moyeu rotatif | Tolérances sur le diamètre extérieur ØD de la bague | ||
|---|---|---|---|
| Cage métallique apparente | Revêtement en élastomère | Revêtement avec bossage | |
| ØD1 ≤ 50,0 | + 0,10 / + 0,20 | + 0,15 / + 0,30 | + 0,20 / + 0,40 |
| 50,0 < ØD1 ≤ 80,0 | + 0,13 / + 0,23 | + 0,20 / + 0,35 | +0,25 / + 0,45 |
| 80,0 < ØD1 ≤ 120,0 | + 0,15 / + 0,25 | + 0,20 / + 0,35 | + 0,25 / + 0,45 |
| 120,0 < ØD1 ≤ 180,0 | + 0,18 / + 0,28 | + 0,25 / + 0,45 | + 0,30 / + 0,55 |
| 180,0 < ØD1 ≤ 300,0 | + 0,20 / + 0,30 | + 025 / + 0,45 | + 0,30 / + 0,55 |
| 300,0 < ØD1 ≤ 500,0 | + 0,23 / + 0,35 | + 0,30 / + 0,55 | + 0,35 / + 0,65 |
| 500,0 < ØD1 ≤ 630,0 | + 0,23 / + 0,35 | + 0,35 / + 0,65 | + 0,40 / + 0,75 |
| 630,0 < ØD1 ≤ 800,0 | + 0,28 / + 0,43 | + 0,40 / + 0,75 | + 0,45 / + 0,85 |
Tolérance du diamètre intérieur du joint (Ød)
Le tableau ci-dessous informe du pré-serrage des bagues d'étanchéité sur l'arbre fixe. Pour des cas particuliers, nous pouvons être amenés à modifier les caractéristiques liées aux dimensions et aux tolérances en fonction du besoin client ou de l'application finale.
| Ød1 arbre fixe | Tolérances sur le diamètre intérieur Ød de la bague | ||
|---|---|---|---|
| Cage métallique apparente | Revêtement en élastomère | Revêtement avec bossage | |
| Ød1 ≤ 50,0 | - 0,10 / - 0,20 | - 0,15 / - 0,30 | - 0,20 / - 0,40 |
| 50,0 < Ød1 ≤ 80,0 | - 0,13 / - 0,23 | - 0,20 / - 0,35 | - 0,25 / - 0,45 |
| 80,0 < Ød1 ≤ 120,0 | - 0,15 / - 0,25 | - 0,20 / - 0,35 | - 0,25 / - 0,45 |
| 120,0 < Ød1 ≤ 180,0 | - 0,18 / - 0,28 | - 0,25 / - 0,45 | - 0,30 / - 0,55 |
| 180,0 < Ød1 ≤ 300,0 | - 0,20 / - 0,30 | - 025 / - 0,45 | - 0,30 / - 0,55 |
| 300,0 < Ød1 ≤ 500,0 | - 0,23 / - 0,35 | - 0,30 / - 0,55 | - 0,35 / - 0,65 |
| 500,0 < Ød1 ≤ 630,0 | - 0,23 / - 0,35 | - 0,35 / - 0,65 | - 0,40 / - 0,75 |
| 630,0 < Ød1 ≤ 800,0 | - 0,28 / - 0,43 | - 0,40 / - 0,75 | - 0,45 / - 0,85 |
Tolérances de circularité
| ØD1 moyeu rotatif | Tolérances de circularité | |
|---|---|---|
| Cage métallique apparente | Revêtement en élastomère | |
| ØD1 ≤ 50,0 | 0,18 | 0,25 |
| 50,0 < ØD1 ≤ 80,0 | 0,25 | 0,35 |
| 80,0 < ØD1 ≤ 120,0 | 0,30 | 0,50 |
| 120,0 < ØD1 ≤ 180,0 | 0,40 | 0,65 |
| 180,0 < ØD1 ≤ 300,0 | 0,25% du diamètre extérieur | 0,80 |
| 300,0 < ØD1 ≤ 500,0 | 0,25% du diamètre extérieur | 1,00 |
| 500,0 < ØD1 ≤ 630,0 | - | - |
| 630,0 < ØD1 ≤ 800,0 | - | - |
Rainures de refoulement
Afin de préserver une bonne lubrification, il est conseillé d'intégrer des stries diagonales (ou rainures de refoulement) sur la lèvre primaire d'étanchéité côté air orientées dans le sens de rotation du manchon d'usure ce qui renforce l'effet de refoulement des micro-stries de l'élastomère. Vous trouverez ci-dessous le type de stries de refoulement qu'il est possible de réaliser :

Le graphique ci-dessous informe du niveau de refoulement des micro-stries de l'élastomère :

Conception de l'arbre

Etat de surface
La qualité de surface de l'arbre fixe doit tenir compte des recommandations ci-dessous.
- Ra = 0,8 à 3,2 µm
- Rmax = 10,0 à 16,0 µm
Tolérance du diamètre de l'arbre fixe
Le diamètre de l'arbre doit être de tolérance h8 selon la norme ISO 286-2.
| Ød1 arbre fixe (mm) | Tolérance h8 (mm) |
|---|---|
| Ød1 ≤ 3,0 | -0,014 / 0 |
| 3,0 < Ød1 ≤ 6,0 | -0,018 / 0 |
| 6,0 < Ød1 ≤ 10,0 | -0,022 / 0 |
| 10,0 < Ød1 ≤ 18,0 | -0,027 / 0 |
| 18,0 < Ød1 ≤ 30,0 | -0,033 / 0 |
| 30,0 < Ød1 ≤ 50,0 | -0,039 / 0 |
| 50,0 < Ød1 ≤ 80,0 | -0,046 / 0 |
| 80,0 < Ød1 ≤ 120,0 | -0,054 / 0 |
| 120,0 < Ød1 ≤ 180,0 | -0,063 / 0 |
| 180,0 < Ød1 ≤ 250,0 | -0,072 / 0 |
| 250,0 < Ød1 ≤ 315,0 | -0,081 / 0 |
| 315,0 < Ød1 ≤ 400,0 | -0,089 / 0 |
| 400,0 < Ød1 ≤ 500,0 | -0,097 / 0 |
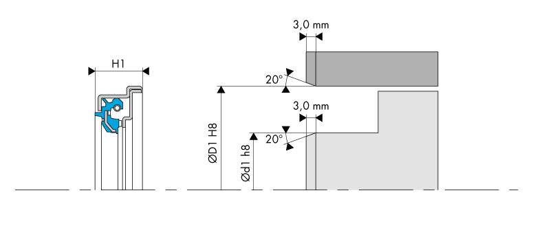
Chanfrein et Rayon
Il est vivement conseillé de prévoir un chanfrein au niveau de l'arbre fixe. Il est préconisé d'opter pour :
20° (+/-5°) x 1 mm
Conception du logement

Matériau du moyeu rotatif
Les matériaux appropriés sont :
- les aciers courants dans la construction mécanique de type C35 et C45
- les aciers inoxydables de type 1.4300 et 1.4112 pour l'étanchéité à l'eau
- des projections de métal appliquées par lance plasma
- le graphite
- la fonte malléable
- les matériaux avec un revêtement appliqué par les procédés CVD et PVD
Ne sont pas appropriés :
- les couches de chrome solidifié du fait de l'usure non uniforme
- les matières plastiques du fait de la faible conductivité thermique qui peut entraîner une perturbation du transport de la chaleur, une augmentation de la température au niveau des zones de frottement avec la bague d'étanchéité, et aussi potentiellement un ramollissement
Dureté du moyeu rotatif
La dureté du moyeu rotatif va dépendre de la vitesse linéaire (en m/s) et du niveau de pollution.
| Vitesse de rotation | Dureté en HRC |
|---|---|
| ≤ 4 m/s | 45 HRC |
| 4,0 < v ≤ 10,0 m/s | 55 HRC |
| v > 10,0 m/s | 60 HRC |
Etat de surface
La qualité de surface du moyeu rotatif doit tenir compte des recommandations ci-dessous.
- Ra = 0,8 à 3,2 µm
- Rmax = 10,0 à 16,0 µm
Tolérance du moyeu rotatif
Le moyeu rotatif doit être de tolérance H8 selon la norme ISO 286-2. Pour des applications spéciales et rigoureuses, il faut préconiser la tolérance H7.
| ØD1 moyeu rotatif | Tolérance H8 (mm) |
|---|---|
| 3,0 < ØD1 ≤ 6,0 | 0 / +0,018 |
| 6,0 < ØD1 ≤ 10,0 | 0 / +0,022 |
| 10,0 < ØD1 ≤ 18,0 | 0 / +0,027 |
| 18,0 < ØD1 ≤ 30,0 | 0 / +0,033 |
| 30,0 < ØD1 ≤ 50,0 | 0 / +0,039 |
| 50,0 < ØD1 ≤ 80,0 | 0 / +0,046 |
| 80,0 < ØD1 ≤ 120,0 | 0 / +0,054 |
| 120,0 < ØD1 ≤ 180,0 | 0 / +0,063 |
| 180,0 < ØD1 ≤ 250,0 | 0 / +0,072 |
| 250,0 < ØD1 ≤ 315,0 | 0 / +0,081 |
| 315,0 < ØD1 ≤ 400,0 | 0 / +0,089 |
| 400,0 < ØD1 ≤ 500,0 | 0 / +0,097 |
| 500,0 < ØD1 ≤ 630,0 | 0 / +0,110 |
Battement
Le battement correspond à une déviation entre l'axe réel et l'axe théorique de rotation. Il est important de réduire au maximum le battement en positionnant le joint cassette au plus près du roulement. Le tableau ci-dessous décrit les valeurs maxi admissibles en fonction de la vitesse de rotation et le matériau de la lèvre d'étanchéité.

Excentricité
L'arbre et le moyeu rotatif doivent être montés centrés l'un par rapport à l'autre afin d'éliminer toute charge radiale unilatérale au niveau de la lèvre d'étanchéité du joint.

Mouvement axial
Les joints cassette peuvent tolérer des mouvements axiaux supérieurs à +/- 0,1 mm. Néanmoins, cela peut entraîner une usure prématurée du système.
Chanfrein et Rayon
Pour ne pas altérer la lèvre primaire du joint cassette lors du montage, il est vivement conseillé de prévoir un chanfrein sur le moyeu rotatif. Il est préconisé d'opter pour :
20° (+/-5°) x 3 mm
Uniquement sur demande