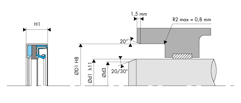
Vous êtes ici : Home > Produkte > RWDR Kombi Dichtungen > COMB6 COMB6 RWDR Kombi Dichtungen COMB6 Données techniques Matériaux Téléchargement Dimensions Dimensions Schéma d'implantation Uniquement sur demande