COMB5
COMB5

Données techniques
Matériaux
Téléchargement
Dimensions
Dimensions
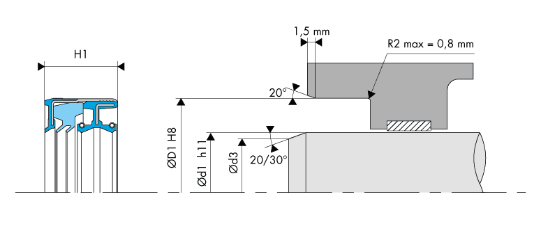
Schéma d'implantation

6 dimensions trouvées
|
COMB5 30x44x17
|
30,00 | 44,00 | 17,00 |
|
COMB5 40x65x27,5
|
40,00 | 65,00 | 27,50 |
|
COMB5 42x62x23
|
42,00 | 62,00 | 23,00 |
|
COMB5 45x75x27,5
|
45,00 | 75,00 | 27,50 |
|
COMB5 47x65x19
|
47,00 | 65,00 | 19,00 |
|
COMB5 52x72x16,5
|
52,00 | 72,00 | 16,50 |
