BECA 500 - 502 - 504
BECA 500 - 502 - 504

Données techniques
Matériaux
Téléchargement
Dimensions
Dimensions
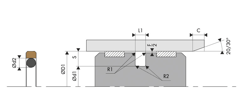
Schéma d'implantation

316 dimensions trouvées
|
500.008
|
8,00 | 3,10 | 2,20 |
|
500.010
|
10,00 | 5,10 | 2,20 |
|
500.012
|
12,00 | 7,10 | 2,20 |
|
500.014
|
14,00 | 9,10 | 2,20 |
|
500.015
|
15,00 | 7,50 | 3,20 |
|
500.016
|
16,00 | 8,50 | 3,20 |
|
500.018
|
18,00 | 10,50 | 3,20 |
|
500.020
|
20,00 | 12,50 | 3,20 |
|
500.021
|
21,00 | 13,50 | 3,20 |
|
500.022
|
22,00 | 14,50 | 3,20 |
|
500.024
|
24,00 | 16,50 | 3,20 |
|
500.025
|
25,00 | 17,50 | 3,20 |
|
500.028
|
28,00 | 20,50 | 3,20 |
|
500.030
|
30,00 | 22,50 | 3,20 |
|
500.032
|
32,00 | 24,50 | 3,20 |
|
500.035
|
35,00 | 27,50 | 3,20 |
|
500.036
|
36,00 | 28,50 | 3,20 |
|
500.038
|
38,00 | 30,50 | 3,20 |
|
500.040
|
40,00 | 29,00 | 4,20 |
|
500.042
|
42,00 | 31,00 | 4,20 |
|
500.045
|
45,00 | 34,00 | 4,20 |
|
500.048
|
48,00 | 37,00 | 4,20 |
|
500.050
|
50,00 | 39,00 | 4,20 |
|
500.052
|
52,00 | 41,00 | 4,20 |
|
500.053
|
53,00 | 42,00 | 4,20 |
|
500.055
|
55,00 | 44,00 | 4,20 |
|
500.057
|
57,00 | 46,00 | 4,20 |
|
500.058
|
58,00 | 47,00 | 4,20 |
|
500.060
|
60,00 | 49,00 | 4,20 |
|
500.062
|
62,00 | 51,00 | 4,20 |
|
500.063
|
63,00 | 52,00 | 4,20 |
|
500.065
|
65,00 | 54,00 | 4,20 |
|
500.068
|
68,00 | 57,00 | 4,20 |
|
500.070
|
70,00 | 59,00 | 4,20 |
|
500.072
|
72,00 | 61,00 | 4,20 |
|
500.075
|
75,00 | 64,00 | 4,20 |
|
500.080
|
80,00 | 64,50 | 6,30 |
|
500.082
|
82,00 | 66,50 | 6,30 |
|
500.085
|
85,00 | 69,50 | 6,30 |
|
500.087
|
87,00 | 71,50 | 6,30 |
|
500.090
|
90,00 | 74,50 | 6,30 |
|
500.092
|
92,00 | 76,50 | 6,30 |
|
500.095
|
95,00 | 79,50 | 6,30 |
|
500.100
|
100,00 | 84,50 | 6,30 |
|
500.105
|
105,00 | 89,50 | 6,30 |
|
500.108
|
108,00 | 92,50 | 6,30 |
|
500.110
|
110,00 | 94,50 | 6,30 |
|
500.115
|
115,00 | 99,50 | 6,30 |
|
500.120
|
120,00 | 104,50 | 6,30 |
|
500.125
|
125,00 | 109,50 | 6,30 |
|
500.127
|
127,00 | 111,50 | 6,30 |
|
500.130
|
130,00 | 114,50 | 6,30 |
|
500.132
|
132,00 | 116,50 | 6,30 |
|
500.135
|
135,00 | 114,00 | 8,10 |
|
500.140
|
140,00 | 119,00 | 8,10 |
|
500.145
|
145,00 | 124,00 | 8,10 |
|
500.150
|
150,00 | 129,00 | 8,10 |
|
500.155
|
155,00 | 134,00 | 8,10 |
|
500.160
|
160,00 | 139,00 | 8,10 |
|
500.165
|
165,00 | 144,00 | 8,10 |
|
500.170
|
170,00 | 149,00 | 8,10 |
|
500.175
|
175,00 | 154,00 | 8,10 |
|
500.180
|
180,00 | 159,00 | 8,10 |
|
500.185
|
185,00 | 164,00 | 8,10 |
|
500.190
|
190,00 | 169,00 | 8,10 |
|
500.195
|
195,00 | 174,00 | 8,10 |
|
500.200
|
200,00 | 179,00 | 8,10 |
|
500.205
|
205,00 | 184,00 | 8,10 |
|
500.210
|
210,00 | 189,00 | 8,10 |
|
500.215
|
215,00 | 194,00 | 8,10 |
|
500.220
|
220,00 | 199,00 | 8,10 |
|
500.230
|
230,00 | 209,00 | 8,10 |
|
500.240
|
240,00 | 219,00 | 8,10 |
|
500.250
|
250,00 | 229,00 | 8,10 |
|
500.260
|
260,00 | 239,00 | 8,10 |
|
500.270
|
270,00 | 249,00 | 8,10 |
|
500.280
|
280,00 | 259,00 | 8,10 |
|
500.290
|
290,00 | 269,00 | 8,10 |
|
500.300
|
300,00 | 279,00 | 8,10 |
|
500.310
|
310,00 | 289,00 | 8,10 |
|
500.320
|
320,00 | 299,00 | 8,10 |
|
500.330
|
330,00 | 305,50 | 8,10 |
|
500.340
|
340,00 | 315,50 | 8,10 |
|
500.350
|
350,00 | 325,50 | 8,10 |
|
500.360
|
360,00 | 335,50 | 8,10 |
|
500.370
|
370,00 | 345,50 | 8,10 |
|
500.380
|
380,00 | 355,50 | 8,10 |
|
500.390
|
390,00 | 365,50 | 8,10 |
|
500.400
|
400,00 | 375,50 | 8,10 |
|
500.410
|
410,00 | 385,50 | 8,10 |
|
500.420
|
420,00 | 395,50 | 8,10 |
|
500.430
|
430,00 | 405,50 | 8,10 |
|
500.440
|
440,00 | 415,50 | 8,10 |
|
500.450
|
450,00 | 425,50 | 8,10 |
|
500.460
|
460,00 | 435,50 | 8,10 |
|
500.470
|
470,00 | 445,50 | 8,10 |
|
500.480
|
480,00 | 455,50 | 8,10 |
|
500.490
|
490,00 | 465,50 | 8,10 |
|
500.500
|
500,00 | 475,50 | 8,10 |
|
500.550
|
550,00 | 525,50 | 8,10 |

